北京尊龙时凯电子科技发展有限公司
    010-63822270

     

    EliteTek 智能溯源精密同步基准源

    数字电视/CMMB/中波同步广播/电视精密偏置/电视同步广播/调频同步广播

     

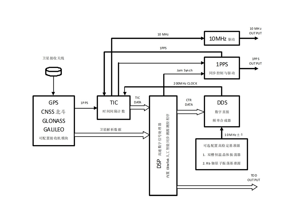
         EliteTek独创的Synchro-Base TM 人工智能同步溯源专利技术,是基于高速数字信号处理器技术与高精度数字直接频率合成技术(DSP+DDS),结合拥有完全自主知识产权的测控软件系统,形成了独特的高精度频率与时间的溯源同步系统。

        目前,时间频率基准源广泛使用的溯源同步技术,是基于驯服控制高稳定基准源的原理。系统通过直接修正内置的所谓“可驯服基准源"的误差,以达到同步溯源的目的。但是,由于制造工艺的局限,高精度的基准源一旦成为“可驯服”的基准源,其基准源自身的稳定度将劣化0.5到1个数量级。这将极大地降低溯源授时信号中断状态下的频率与时间的精确度与稳定度。

        EliteTekSynchro-Base TM 系统,内置的基准源是“不可驯服”的高稳定基准源。TIC精确地检测出基准源与溯源授时信号之间的误差δ,经DSP形成控制决策,在DDS中对来自高稳定基准源的10MHz基准频率作超精细的相位调整。

         EliteTekSynchro-Base TM 系统,通过配置不同的卫星接收机模块,可以实现GPS(美国)、CNSS北斗(中国)、GLONASS(俄罗斯)、GALILEO(欧洲)等不同路径系统的授时同步溯源。

     

    Synchro-Base TM     

    数字电视/CMMB/电视精密偏置/调频中波同步广播(精密基准源系列)

    支持多路径同步溯源方式

    原子振荡器/高稳定恒温晶体振荡器可选配置

    2009年最新推出超强冗余配置产品:

    双同步溯源引擎+双高稳定精密基准源

     

     

    独创人工智能溯源同步最新科技

    溯源可用性动态甄别

    溯源中断精度保持与延展修正控制

     

    1MHz/5MHz/10MHz标频输出

    1PPS(UTC)秒脉冲输出

    TOD(CMMB)时标码输出
     

    支持溯源路径:

    GPS(美国)

    GLONASS(俄罗斯)

    CNSS(中国北斗)+CAPS(中国区域定位系统)

    GALILEO(欧洲)
     

    设备可选配置:

    铷原子振荡器(Rb Standard Clock

    双槽恒温高稳定晶体振荡器(O2CXO

    双同步引擎+双高稳定基准源=高可靠性冗余系统

     

    该系列产品已大规模应用于全国中央招标无线覆盖工程、中波同步广播单频覆盖工程、军工配套项目、出口外销,总计超过3000台(套)。优异的性能指标与突出的可靠性表现,使其成为业内的驰名产品。

     

     

     

    北京尊龙时凯电子科技有限公司 Copyright© 2019-2025 京ICP备08100917号

    站点地图